Rumah / Produk / TEKANAN / SDPB pemancar tekanan-tekanan diferensial silikon kristal tunggal yang cerdas
Tentang kami

Ningbo Qingyang Automation Technology Co., Ltd.

Pabrik Instrumen Otomasi Yuyao Huangong

Didirikan pada tahun 2000, mengkhususkan diri dalam produk otomasi industri. Setelah tahun pembangunan, telah mengembangkan serangkaian stabil dan dapat diandalkan, terjangkau, cocok untuk semua jenis pengukuran otomasi industri dan kontrol tekanan pemancar, pemancar suhu dan pemancar tingkat.

  • 20+

    Pengalaman bertahun-tahun

  • 1000+ �O

    wilayah perusahaan

  • 200+

    Anggota tim

  • 30+

    Negara ekspor

Menghormati

  • honor
  • honor
  • honor
  • honor
  • honor
  • honor
  • honor
  • honor
Pusat Berita
Perpanjangan pengetahuan industri dari kategori ini
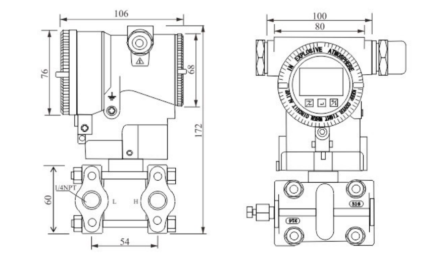
Apa itu pemancar tekanan-tekanan diferensial silikon kristal tunggal SDPB yang cerdas
SDPB adalah singkatan dari "Silicon Differential Pressure-Pressure Transmitter with Single Crystal Diaphragm and Intelligent Compensation." Ini adalah jenis pemancar tekanan yang dirancang untuk mengukur tekanan diferensial (perbedaan antara dua titik tekanan) dalam berbagai aplikasi industri.
Fitur utama SDPB adalah penggunaan diafragma silikon kristal tunggal. Diafragma adalah membran tipis dan fleksibel yang memisahkan dua ruang tekanan di pemancar. Ketika perbedaan tekanan di diafragma berubah, ia membelokkan, menciptakan perubahan proporsional pada keluaran listrik dari pemancar.
Penggunaan silikon kristal tunggal memungkinkan akurasi dan stabilitas tinggi pada berbagai suhu dan tekanan. Selain itu, fitur kompensasi cerdas pada pemancar membantu memperhitungkan perubahan suhu dan faktor lingkungan lainnya yang dapat memengaruhi keakuratan pengukuran tekanan.
Penggunaan pemancar tekanan-tekanan diferensial silikon kristal tunggal SDPB yang cerdas
Itu SDPB pemancar tekanan-tekanan diferensial silikon kristal tunggal yang cerdas umumnya digunakan dalam berbagai aplikasi industri yang memerlukan pengukuran tekanan yang akurat dan andal. Beberapa penggunaan umum pemancar SDPB meliputi:
1. Pemrosesan minyak dan gas: Pemancar SDPB digunakan untuk mengukur tekanan diferensial dalam jaringan pipa minyak dan gas, kilang, dan fasilitas pemrosesan lainnya. Hal ini memungkinkan operator memantau aliran cairan dan gas melalui sistem dan memastikan semuanya berjalan lancar.
2. Pemrosesan kimia: Di pabrik pemrosesan kimia, pemancar SDPB digunakan untuk memantau dan mengontrol tekanan dalam bejana reaksi, kolom distilasi, dan peralatan penting lainnya. Ini membantu memastikan bahwa reaksi kimia berjalan lancar dan kualitas produk konsisten.
3. Sistem HVAC: Pemancar SDPB digunakan untuk mengukur tekanan diferensial dalam sistem pemanas, ventilasi, dan pendingin udara (HVAC). Hal ini memungkinkan pengelola gedung untuk menjaga lingkungan dalam ruangan yang nyaman dan sehat bagi penghuninya.
Keuntungan dari SDPB pemancar tekanan-tekanan diferensial silikon kristal tunggal yang cerdas
Itu SDPB pemancar tekanan-tekanan diferensial silikon kristal tunggal yang cerdas menawarkan beberapa keunggulan dibandingkan jenis pemancar tekanan lainnya, termasuk:
1. Akurasi tinggi: Penggunaan diafragma silikon kristal tunggal memungkinkan akurasi yang sangat tinggi dalam pengukuran tekanan, dengan akurasi tipikal hingga 0,1% dari skala penuh. Tingkat akurasi ini membuat pemancar SDPB cocok untuk digunakan dalam aplikasi di mana pengukuran tekanan yang tepat sangat penting.
2. Jangkauan luas: Pemancar SDPB mampu mengukur perbedaan tekanan pada rentang yang luas, biasanya hingga 10.000 psi. Ini membuatnya cocok untuk digunakan dalam berbagai aplikasi industri, dari aplikasi tekanan rendah seperti sistem HVAC hingga aplikasi tekanan tinggi seperti pemrosesan minyak dan gas.
3. Stabilitas tinggi: Diafragma silikon kristal tunggal memberikan stabilitas jangka panjang yang sangat baik, bahkan di lingkungan yang keras. Hal ini memungkinkan pemancar mempertahankan keakuratan dan keandalannya dari waktu ke waktu, tanpa perlu sering melakukan kalibrasi ulang.

Contact Us

*We respect your confidentiality and all information are protected.